用途及适用范围
DZ47LE-63系列小型漏电断路器(以下简称断路器)适用于交流50Hz,额定工作电压400V及以下,额定工作电流至63A的线路中。作漏电保护之用。当人体触电或线路漏电超过规定值时,该断路器能在0.1s时间内自动切断电源,保障人身安全和防止设备因发生泄漏电流造成事故。该断路器具有过载和短路保护功能,可以用来保护线路的过载和短路,也可以在正常情况下作为线路的不频繁转换之用。C型用于照明线路保护,D型用于电动机线路保护。
产品符合GB/T 16917.1及GB/T 16917.22标准。
型号及其含义

注:附件有0F辅助开关、SD报警开关,且拼装在断路器左侧,每只断路器左侧仅能拼装一个附件。
主要技术参数
基本参数
| 额定电流In(A) | 极数 | 额定工作电压 | 分断能力|cn | 额定剩余动作电流IΔn | 分断时间 | 脱扣类型 |
| 6、10、16、20、 25、32、40 | 1P+N、2P | 230V | 6kA | 30mA | ≤0.1s | C型:5~101n D型:10~20ln |
| 3P、3P+N、4P | 400V | |||||
| 50、63 | 1P+N、 2P | 230V | 4kA | 30mA | ||
| 3 P、3P+N、4P | 400V |
过电流保护特性
| 瞬时脱扣电流型式 | 额定电流In(A) | 起始状态 | 试验电流 | 规定时间 | 预期结果 | 备注 |
| C、D | 6~63 | 冷态 | 1.13In | 1h内 | 不脱扣 | |
| 热态 | 1.45In | t<1h | 脱扣 | 电流在5s内稳定上升至规定值 | ||
| C、D | In≤32 | 冷态 | 2.55ln | 1s<t<60s | 脱扣 | |
| C、D | In>32 | 冷态 | 2.55ln | 1s<t<120s | 脱扣 | |
| C | 6~63 | 冷态 | 51n | t≥0.1s | 不脱扣 | |
| 冷态 | 10In | t<0.1s | 脱扣 | |||
| D | 6~63 | 冷态 | 10In | t≥0.1s | 不脱扣 | |
| 冷态 | 201n | t<0.1s | 脱扣 |
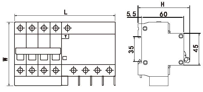
外形及安装尺寸
| 型号规格 尺寸 | L | W | H |
| DZ47LE-63/1P+N | 54 | 95 | 73.5 |
| DZ47LE-63/2P | 72 | 77.5 | |
| DZ47LE-63/3P | 103 | ||
| DZ47LE-63/3P+N | 117 | ||
| DZ47LE-63/4P | 135 |
