适用范围
SWQ3系列PC级双电源自动转换开关(以下简称ATSE)是集开关与逻辑控制于一体,无需外加控制器,真正实现机电一体化的自动转换开关,具有电压检测、远程控制、电气、机械互锁等功能,可实现自动、电动远程、紧急手动控制。操作是由逻辑控制板以各种逻辑命令来管理电机、变速箱的操作运行来实现,电机带动开关弹簧贮能,瞬时释放的加速机构,快速接通分断电路或进行电路转换,通过明显可见状态实现安全隔离,
极大的提高了各项电器性能与机械性能。
ATSE适用于交流50Hz,额定工作电压400V,额定工作电流16~1600A的两路电源供电系统中,当常用电源发生故障时,可以自动完成常用电源与备用电源的供电转换,以保证负载电路的正常供电,确保用电的可靠及安全。产品广泛应用于消防、医院、银行、商场、化工、冶金、高层建筑等不允许停电的重要供电场所。
产品符合GB/T14048.1、GB/T14048.3、GB/T14048.11、IEG60947-6-1《自动转换开关电器》、《高层民用建筑防火规范》、《民用建筑电气设计规范》等标准。
适用工作环境
〇安装地点的海拨不超过2000m。
〇环境温度不高于+40℃和不低于-5°0,相对湿度不超过95%。
〇污染等级为3级,主电路安装类别为川,不接至主电路的辅助电路和控制电路安装类别为"。
〇在无爆炸危险的介质中,且介质中无足以腐蚀金属和破坏绝缘的气体与尘埃(包括导电尘埃)〇没有雨雪侵袭的地方。
型号含义

产品结构

◎电气钥匙锁:控制开关内部控制线路电源,开启时,开关实现自动、远控操作,关闭时,开关只可手动操作。
◎操作手柄:使用操作手柄操作开关时,必须关闭电气锁。
◎机械挂锁:检修时,先用操作手柄使开关处于0档位置,拉起挂锁机构并上挂锁,方可进行检修(拉起机械挂锁则切断开关内部控制电源,开关无法电动并且无法实现手动)。
◎位置指示:表示开关工作状态位置(1,0,I)。
◎控制电源电压:AC220V。
主要技术参数
| 型号 | SWQ3-100 | SWQ3-160 | SWQ3-250 | SWQ3-630 | SWQ3-1600 | ||
| 额定发热电流Ith(A) | 100 | 160 | 250 | 400 | 630 | 1600 | |
| 额定工作电流Ie(A) | 6、10、16、20 25、32、40、50 63、80、100 | 100、125、160 | 125、160 180、200 225、250 | 315 400 | 500 630 | 800、1000 1250、1600 | |
| 极数 | 3P、4P | ||||||
| 额定工作电压Ue(V) | 50Hz AC400 | ||||||
| 额定绝缘电压Ui(V) | 690 | 800 | |||||
| 额定冲击耐受电压Uimp(kV) | 8 | ||||||
| 使用类别 | AC-33B | AC-33iB | |||||
| 额定短时耐受电流Icw | 5kA/30ms | 10kA/30ms | 10kA/60ms | 12.6kA/60ms | 32kA/60ms | ||
| 额定短路接通能力Icm(kA) | 8 | 12 | 17 | 26 | 50 | ||
| 转换时间(1-0-11或11-0-1) | 2.5s | 0.6s | 0.6s | 0.6s | 1.2s | ||
| 控制电压(V) | DC24、DC48、DC110、AC220 | ||||||
| 电机额定功率 | 启动 | 300W | 325W | 355W | 355W | 440W | |
| 正常 | 55W | 62W | 74W | 74W | 98W | ||
| ATSE级别 | PC级 | ||||||
| 电气寿命(次) | 1000 | 1000 | 500 | 500 | 500 | ||
控制转换功能
| 常用电源(1) | 备用电源(II) | 消防控制 | 开关状态 |
| 正常 | 正常 | 无消防信号 | 常用电源(1)接通 |
| 正常 | 失电 | 无消防信号 | 常用电源(1)接通 |
| 正常 | 失电 | 有消防信号 | 常用和备用电源均断开 |
| 失电 缺相、过压、欠压 (对Z智能型分体式) | 正常 | 无消防信号 | 备用电源(II)接通 |
| 失电 | 无消防信号 | 保持原接通状态不转换 | |
| 正常/失电 | 有消防信号 | 常用和备用电源均断开 |
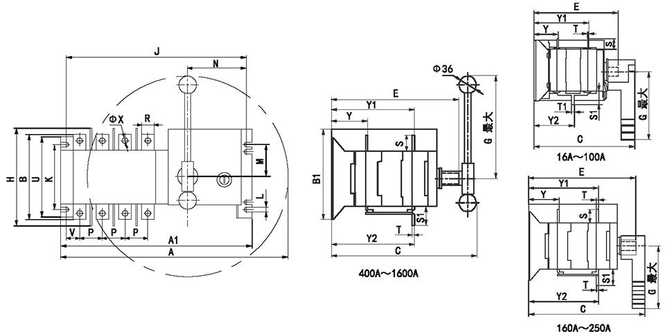
外形及安装尺寸

单位:mm
| 规格 | 总尺寸 | 安装尺寸 | 接线端子尺寸 | ||||||||||||||||||||||
| A / | A1 | B | B1 | 1 C | E | G | H | J | K | L | M | N | P | R | S | S1 | T | T1 | U | V | ΦX | Y 1 | Y1 | Y2 | |
| 16~100A/4P | 270 | 245 | 110 | 103 | 170 | 142 | 115 | 146 | 226 | 84 | 7 | 44 | 81 | 30 | 14 | 18 | 23 | 2.5 | 5 | 103 | 12 | 6 | 40.5 | 92 | 67.5 |
| 125~160A/4P | 348 | 305 | 147 | 142 | 224 | 190 | 144 | 185 | 284 | 102 | 7 | 49 | 91 | 36 | 20 | 25 | 37 | 3.5 | / | 127.5 | 19 | 9 | 56 | 127.5 | 127.5 |
| 180~250A/4P | 411 | 368 | 170 | 142 | 224 | 190 | 144 | 200 | 347 | 102 | 7 | 49 | 91 | 50 | 25 | 29 | 40 | 3.5 | / | 141.5 | 28 | 11 | 56 | 130 | 130 |
| 400A/3P | 525 | 374 | 234 | 222 | 305 | 268 | 250 | 290 | 354 | 179 | 9 | 96 | 91 | 65 | 32 | 37 | 52 | 5 | / | 222 | 38 | 11 | 83 | 193 | 193 |
| 400A/4P | 585 | 435 | 234 | 222 | 305 | 268 | 250 | 290 | 415 | 179 | 9 | 96 | 91 | 65 | 32 | 37 | 52 | 5 | / | 222 | 38 | 11 | 83 | 193 | 193 |
| 630A/3P | 525 | 374 | 250 | 222 | 305 | 268 | 250 | 290 | 345 | 179 | 9 | 96 | 91 | 65 | 40 | 45 | 61 | 6 | / | 222 | 38 | 12 | 83.5 | 193.5 | 196 |
| 630A/4P | 585 | 435 | 234 | 222 | 305 | 268 | 250 | 290 | 415 | 179 | 9 | 96 | 91 | 65 | 40 | 45 | 61 | 6 | / | 222 | 38 | 12 | 83.5 | 193.5 | 196 |
| 800~1000A/3P | 785 | 520 | 328 | 250 | 390 | 326 | 360 | / | 496 | 220 | 11 | 115 | 84 | 120 | 60 | 64 | 88 | 8 | / | 250 | 56.5 | 13 | 109 | 254 | 254 |
| 800~1000A/4P | 1080 | 635 | 328 | 250 | 390 | 326 | 540 | / | 610 | 220 | 11 | 115 | 84 | 120 | 60 | 64 | 88 | 8 | / | 250 | 60.5 | 13 | 109 | 254 | 254 |
| 1250A/3P | 785 | 520 | 336 | 250 | 390 | 326 | 360 | / | 496 | 220 | 11 | 115 | 84 | 120 | 80 | 68 | 100 | 8 | / | 250 | 56.5 | 13 | 109 | 254 | 254 |
| 1250A/4P | 1080 | 635 | 336 | 250 | 390 | 326 | 540 | / | 610 | 220 | 11 | 115 | 84 | 120 | 80 | 68 | 100 | 8 | / | 250 | 60.5 | 13 | 109 | 254 | 254 |
| 1600A/3P | 785 | 520 | 336 | 250 | 390 | 326 | 360 | / | 496 | 220 | 11 | 115 | 84 | 120 | 80 | 68 | 100 | 10 | / | 250 | 56.5 | 13 | 110 | 255 | 255 |
| 1600A/4P | 1080 | 635 | 336 | 250 | 390 | 326 | 540 | / | 610 | 220 | 11 | 115 | 84 | 120 | 80 | 68 | 100 | 10 | / | 250 | 60.5 | 13 | 110 | 255 | 255 |
端子接线方法

分体式控制器
概述
双电源自动转换开关控制器具有微处理的自动化测量、输出可编程、可通讯(仅S-702)、指示灯显示(S-702为液晶显示)、转换延时可调、工作模式可设置、智能化于一体,测量及控制过程实现自动化,减少人为操作失误,可精确地检测两路三相电压,对出现的电压异常(过压、欠压、缺相)做出准确的判断并输出无源控制开关量信号,是双电源转换控制的理想产品。

分体式控制器功能
| 型号 | S-701 | S-702 | |
| 显示方式 | 指示灯显示 | 液晶显示 | |
| 额定工作制 | 不间断工作制 | ||
| ATS工作模式 | 自投自复 | ● | ● |
| 自投不自复/互为备用 | ● | ● | |
| 优先电源设置 | ● | ● | |
| 自启发电机功能 | ● | ● | |
| 常用电源检测 | 四相缺相检测、三相电压过欠压检测 | ||
| 备用电源检测 | 四相缺相检测、三相电压过欠压检测 | ||
| 无源消防输入 | ● | ● | |
| 有源消防输入(DC6-36V) | ● | ● | |
| 转换延时可调 | ● | ● | |
| 电压实时显示 | O | ● | |
| 常用和备用电源指示 | ● | ● | |
| 常用和备用过欠电压可调 | ● | ● | |
| 发电机启动和停止时间可调 | ● | ● | |
| 可编程输出口 | O | ● | |
| RS485通信功能 | O | ● | |
注:●代表有此功能,〇代表无此功能
分体式控制器外形及安装尺寸
| 型号 | S-701 | S-701 | |
| 外形及安装 尺寸(mm) | A | 150 | 150 |
| B | 122 | 122 | |
| C | 130 | 130 | |
| D | 111 | 111 | |
| E | 62 | 62 | |
